如何根據IEC 60068標準選擇試驗設備——沖擊試驗
IEC60068標準
IEC 60068是國際電工委員會發布的關于環境試驗的標準系列之一。IEC 60068標準系列為電子和電氣產品提供了一系列環境試驗方法,用于評估產品在各種環境條件下的性能和可靠性。IEC 60068標準系列由多個部分組成,每個部分涵蓋了不同的環境試驗方法和參數,本期主要講的是沖擊試驗。
IEC 60068-2-27
概述
本部分提供了確定樣品經受規定嚴酷度的非重復或重復沖擊能力的標準程序,試驗的目的是用來暴露機械薄弱環節和/或性能下降和沖擊引起的累計損傷和退化情況,并且利用這些資料,結合有關規范,來決定樣品是否可以接收。在某些情況下,本沖擊試驗也可以用來確定樣品的結構完好性,或作為質量控制的手段。
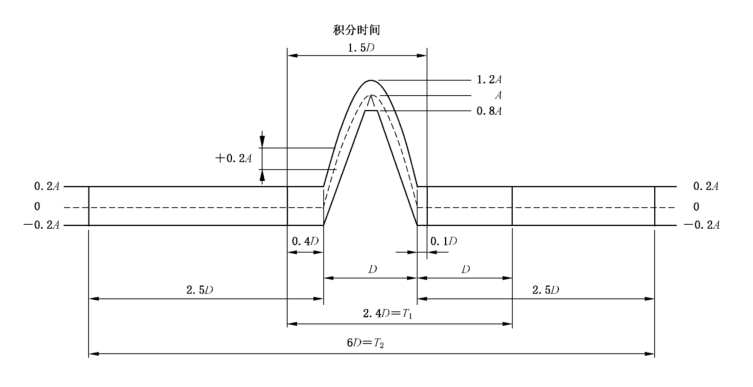
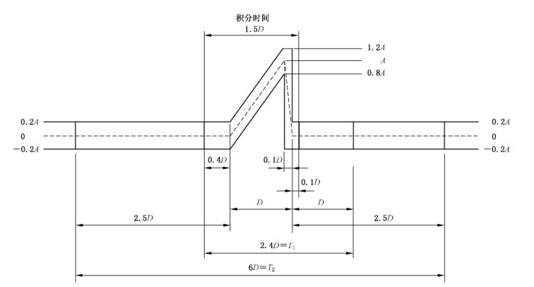
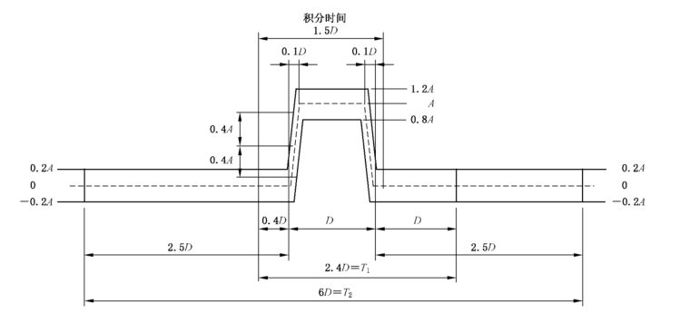
規定的基本脈沖波形如下

圖1 半正弦波的波形和容差范圍

圖2 后峰鋸齒波的波形和容差范圍

圖3 梯形波的波形和容差范圍
說明(圖1~圖3適用):
----:標稱脈沖線;
——:容差范圍線;
D:標稱脈沖的持續時間;
A:標稱脈沖的峰值加速度;
T1:用傳統沖擊試驗臺產生沖擊時,對脈沖監測的最短時間;
T2:用電動振動試驗臺產生沖擊時,對脈沖監測的最短時間。
關鍵指標:
10g@11ms
15g@6ms
25g@6ms
40g@6ms
80g@6ms
100g@2ms
KRD11氣動垂直沖擊試驗臺
KRD11系列是全自動氣壓提升垂直沖擊測試系統,是一種設計新穎、自動化程度高、操作簡單、維護方便的垂直沖擊試驗設備。氣動驅動,結構簡單,可靠性高,無污染,無液壓泄漏風險,保持環境清潔。
用于測量和確定產品或包裝的抗沖擊性能,考核試品在沖擊環境下功能的可靠性和結構的完好性。該系統能進行常規的波形沖擊試驗,以實現產品在實際環境中所遭受的沖擊波及沖擊能量,從而改進系統或優化產品的結構。

半正弦波形發生器主要用工程橡膠制造(考慮橡膠的剛度和聚合力)及各種不同厚度的氈墊等組成。可選配后峰鋸齒波形發生器和梯形波發生器。

KRD12氣動水平沖擊試驗臺
KRD12氣動水平沖擊試驗臺用于測量和確定產品或包裝的水平沖擊阻力,并評估試驗裝置在水平沖擊環境中的可靠性和結構完整性。

水平沖擊試驗系統主要針對垂直沖擊臺不能實現或者安裝夾具必須水平安裝的試件,進行沖擊試驗的裝置。特別是針對汽車零部件以及新能源汽車的鋰電池測試。